全国定制咨询热线
0769-23103048
菠萝福利导航缸设备行业优选品牌!

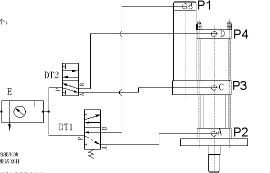
菠萝视频污版网址入口标准型菠萝福利导航缸气路连接说明
一、增压缸配件
1、ZG3/8”快速接头4个;
2、1/2”消声音器2个;
3、二位五通电磁阀2只;
4、12厘气管4根(长度适中)

二、动作程序
1、p2p3通气,此时缸处于回升状态。
2、p1p3通气,p2排气,压缩空气作用在储油桶的液压油表面,液压油驱动预压腔活塞作位移,并使预压腔活塞杆轴端的模具抵触工件。
3、p1断气,p4通气,p3排气。
,压缩空气作用在增压活塞作位移,去挤压预压腔的液压油,使液压油膨胀,从而使预压活塞杆轴段的模具保持高压力去挤压成型工作。
4、4.p3进气,p4排气。增压缸增压活塞回升,增压活塞到位后,p2气口进气,预压活塞回位,液压油到储油桶内,此时,一个动作完成。
