欢迎来访东莞菠萝视频污版网址入口菠萝福利导航缸厂家品牌网站!

菠萝视频污版网址入口32年专注气动液压设备

ISO9001认证菠萝福利导航缸厂家
全国定制咨询热线
0769-23103048
菠萝福利导航缸设备行业优选品牌!

各种型号菠萝福利导航缸气路连接图/动作顺序

发布时间:2016-05-03

菠萝视频污版网址入口各种型号菠萝福利导航缸气路连接图/动作顺序

一、JRA标准型菠萝福利导航缸气路连接图/动作顺序

1、JRA标准型菠萝福利导航缸气路连接图

菠萝视频污版网址入口JRA标准型菠萝福利导航缸气路连接图

2、JRA标准型菠萝福利导航缸动作顺序
(1)、电磁阀DT1通电,气压作用在储油筒液压油表面,气缸段总行程开始向下作位移;
(2)、活塞杆位移遇到阻力,DT1保持,此时DT2通电,增压段总成开始作位移;
(3)、根据加工工件保压需要,DT2断电,此时增压段总成复位,增压缸卸压;
(4)、DT1断电,气缸段总成复位,液压油回位到储油筒,些时一个动作循环完成。

二、JRAA水平安装型菠萝福利导航缸气路连接图/动作顺序

1、JRAA水平安装型菠萝福利导航缸气路连接图

菠萝视频污版网址入口JRA水平安装型菠萝福利导航缸气路连接图

2、JRAA水平安装型菠萝福利导航缸动作顺序
(1)、电磁阀DT1通电,气压作用在储油筒液压油表面,气缸段总行程开始向下作位移;
(2)、活塞杆位移遇到阻力,DT1保持,此时DT2通电,增压段总成开始作位移;
(3)、根据加工工件保压需要,DT2断电,此时增压段总成复位,增压缸卸压;
(4)、DT1断电,气缸段总成复位,液压油回位到储油筒,些时一个动作循环完成。

三、JRB力行程可调型菠萝福利导航缸气路连接图/动作顺序

1、JRB力行程可调型菠萝福利导航缸气路连接图

菠萝视频污版网址入口JRB力行程可调型菠萝福利导航缸气路连接图

2、JRB力行程可调型菠萝福利导航缸动作顺序
(1)、电磁阀DT1通电,气压作用在储油筒液压油表面,气缸段总行程开始向下作位移;
(2)、活塞杆位移遇到阻力,DT1保持,此时DT2通电,增压段总成开始作位移;
(3)、根据加工工件保压需要,DT2断电,此时增压段总成复位,增压缸卸压;
(4)、DT1断电,气缸段总成复位,液压油回位到储油筒,些时一个动作循环完成。

四、JRC总行程可调型菠萝福利导航缸气路连接图/动作顺序

1、JRC总行程可调型菠萝福利导航缸气路连接图

菠萝视频污版网址入口JRC总行程可调型菠萝福利导航缸气路连接图

2、JRC总行程可调型菠萝福利导航缸动作顺序
(1)、电磁阀DT1通电,气压作用在储油筒液压油表面,气缸段总行程开始向下作位移;
(2)、活塞杆位移遇到阻力,DT1保持,此时DT2通电,增压段总成开始作位移;
(3)、根据加工工件保压需要,DT2断电,此时增压段总成复位,增压缸卸压;
(4)、DT1断电,气缸段总成复位,液压油回位到储油筒,些时一个动作循环完成。

五、JRD总/力行程可调型菠萝福利导航缸气路连接图/动作顺序

1、JRD总/力行程可调菠萝福利导航缸气路连接图

菠萝视频污版网址入口JRD总/力行程可调菠萝福利导航缸气路连接图

2、JRD总/力行程可调菠萝福利导航缸动作顺序
(1)、电磁阀DT1通电,气压作用在储油筒液压油表面,气缸段总行程开始向下作位移;
(2)、活塞杆位移遇到阻力,DT1保持,此时DT2通电,增压段总成开始作位移;
(3)、根据加工工件保压需要,DT2断电,此时增压段总成复位,增压缸卸压;
(4)、DT1断电,气缸段总成复位,液压油回位到储油筒,些时一个动作循环完成。

六、JRE直压式菠萝福利导航缸气路连接图/动作顺序

1、JRE直压式菠萝福利导航缸气路连接图

菠萝视频污版网址入口JRE直压式菠萝福利导航缸气路连接图

2、JRE直压式菠萝福利导航缸动作顺序
(1)、增压缸按照上图气路连接图接好之后,打开气源,此时增压缸处于回位状态;
(2)、电磁阀DT1通电,切换气路使气压作用于气缸活塞使气缸活塞开始位移,直接开始直压;
(3)、根据加工工件保压需要,调节保压时间,电磁阀DT1断电,再次切换气路,使气缸和油缸同时回位达到初始状态。至此一个动作循环完毕。

七、JRF快速单列式菠萝福利导航缸气路连接图/动作顺序

1、JRF快速单列式菠萝福利导航缸气路连接图

菠萝视频污版网址入口JRF快速单列式菠萝福利导航缸气路连接图

2、JRF快速单列式菠萝福利导航缸动作顺序
(1)、电磁阀DT1通电,气压作用在储油筒液压油表面,气缸段总行程开始向下作位移;
(2)、活塞杆位移遇到阻力,DT1保持,此时DT2通电,增压段总成开始作位移;
(3)、根据加工工件保压需要,DT2断电,此时增压段总成复位,增压缸卸压;
(4)、DT1断电,气缸段总成复位,液压油回位到储油筒,些时一个动作循环完成。

八、JRG复合式型菠萝福利导航缸气路连接图/动作顺序

1、JRG复合式菠萝福利导航缸气路连接图

菠萝视频污版网址入口JRG复合式菠萝福利导航缸气路连接图

2、JRG复合式菠萝福利导航缸动作顺序
(1)、电磁阀DT1通电,气压作用在储油筒液压油表面,气缸段总行程开始向下作位移;
(2)、活塞杆位移遇到阻力,DT1保持,此时DT2通电,增压段总成开始作位移;
(3)、根据加工工件保压需要,DT2断电,此时增压段总成复位,增压缸卸压;
(4)、DT1断电,气缸段总成复位,液压油回位到储油筒,些时一个动作循环完成。

九、JRM快速型菠萝福利导航缸气路连接图/动作顺序

1、JRM快速型菠萝福利导航缸气路连接图

菠萝视频污版网址入口JRM快速型菠萝福利导航缸气路连接图

2、JRM快速型菠萝福利导航缸动作顺序
(1)、电磁阀DT1通电,气压作用在储油筒液压油表面,气缸段总行程开始向下作位移;
(2)、活塞杆位移遇到阻力,DT1保持,此时DT2通电,增压段总成开始作位移;
(3)、根据加工工件保压需要,DT2断电,此时增压段总成复位,增压缸卸压;
(4)、DT1断电,气缸段总成复位,液压油回位到储油筒,些时一个动作循环完成。

十、JRO预压式菠萝福利导航缸气路连接图/动作顺序

1、JRO预压式菠萝福利导航缸气路连接图

菠萝视频污版网址入口JRO预压式菠萝福利导航缸气路连接图

2、JRO预压式菠萝福利导航缸动作顺序
(1)、电磁阀DT1通电,气压作用在储油筒液压油表面,气缸段总行程开始向下作位移;
(2)、活塞杆位移遇到阻力,DT1保持,此时DT2通电,增压段总成开始作位移;
(3)、根据加工工件保压需要,DT2断电,此时增压段总成复位,增压缸卸压;
(4)、DT1断电,气缸段总成复位,液压油回位到储油筒,些时一个动作循环完成。

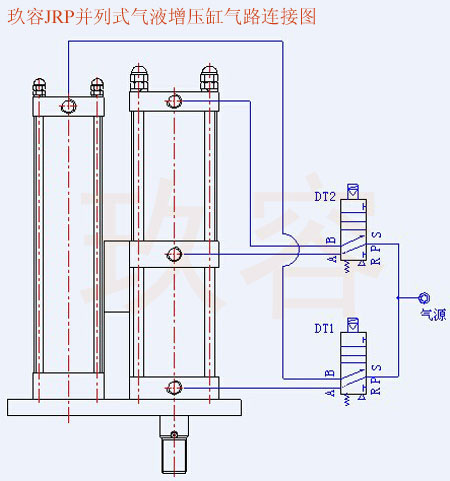
十一、JRP并列式菠萝福利导航缸气路连接图/动作顺序

1、JRP并列式菠萝福利导航缸气路连接图

菠萝视频污版网址入口JRP并列式菠萝福利导航缸气路连接图

2、JRP并列式菠萝福利导航缸动作顺序
(1)、电磁阀DT1通电,气压作用在储油筒液压油表面,气缸段总行程开始向下作位移;
(2)、活塞杆位移遇到阻力,DT1保持,此时DT2通电,增压段总成开始作位移;
(3)、根据加工工件保压需要,DT2断电,此时增压段总成复位,增压缸卸压;
(4)、DT1断电,气缸段总成复位,液压油回位到储油筒,些时一个动作循环完成。

十二、JRT倒装型菠萝福利导航缸气路连接图/动作顺序

1、JRT倒装型菠萝福利导航缸气路连接图

菠萝视频污版网址入口JRT倒装型菠萝福利导航缸气路连接图

2、JRT倒装型菠萝福利导航缸动作顺序
(1)、电磁阀DT1通电,气压作用在储油筒液压油表面,气缸段总行程开始向下作位移;
(2)、活塞杆位移遇到阻力,DT1保持,此时DT2通电,增压段总成开始作位移;
(3)、根据加工工件保压需要,DT2断电,此时增压段总成复位,增压缸卸压;
(4)、DT1断电,气缸段总成复位,液压油回位到储油筒,些时一个动作循环完成。

版权所有@1992年~2023年 东莞市菠萝视频污版网址入口气动液压设备有限公司 东莞菠萝视频污版网址入口菠萝福利导航缸品牌
电话:0769-23103048、0769-22013249、传真:0769-23109526
联系QQ:2850850515(杨小姐)、2850850511(黄小姐)、2850850512(李小姐)、2850850514(秦先生)
东莞菠萝视频污版网址入口菠萝福利导航缸厂家地址:广东省东莞市东城街道峡口沙岭工业西路21号 邮政编码:523115
  • 菠萝视频污版网址入口官方微信
咨询热线:
0769-23103048
邮箱:jiurong.goog@163.com
备案号: 粤ICP备72581879号        粤公网安备: 44190002006970号        版权所有:东莞市菠萝视频污版网址入口气动液压设备有限公司           网站地图
网站地图