欢迎来访东莞菠萝视频污版网址入口菠萝福利导航缸厂家品牌网站!

菠萝视频污版网址入口32年专注气动液压设备

ISO9001认证菠萝福利导航缸厂家
全国定制咨询热线
0769-23103048
菠萝福利导航缸设备行业优选品牌!

产品中心

Contact Hotline

0769-23103048 0769-23103048
联系菠萝视频污版网址入口

免费热线:400-833-2669

固定电话:0769-23103048(杨小姐)

固定电话:0769-22013249(杨先生)

公司传真:0769-23109526

  • 产品名称:JRM快速型菠萝福利导航缸
  • 作动方式:双动

    作动条件:4~7kg/cm²压缩空气

    液压抗磨油:VG68#抗磨液压油

    工作温度:0~60℃

    操作速度:50~400mm/s

    油缸耐压:300kg/cm²

    气缸耐压:12kg/cm²

    预压行程公差:+1.00mm 0.00mm

    力行程公差:+0.20mm 0.00mm

    工作频率:25~45次/min(与行程长短成反比)

    高压出力:1~40吨

    菠萝视频污版网址入口厂家直销,2年免费保修,非标定制!

在线联系

JRM快速型菠萝福利导航缸

【JRM快速型菠萝福利导航缸产品说明:

JRM快速型菠萝福利导航缸缸体细长,动作速度较标准型菠萝福利导航缸快30%,采用油气隔离设计,液压油与压缩空气严格隔离,可用于高频动作场合,在对纵向长度无较大限制的场合得到广泛应用。  

【JRM快速型菠萝福利导航缸操作条件:

JRM快速型菠萝福利导航缸操作条件

咨询热线:400-833-2669


JRM快速型菠萝福利导航缸产品特点:

1、特殊结构,缸体纤长
2、动作速度快(较标准型增压缸快30%)
3、使用成本低,操作维护简单
4、适用于:成型、铆合、挤压、弯曲、冲孔、装配等
5、安装方式:正装(前轴向下出力)
6、可非标定制,菠萝视频污版网址入口菠萝福利导航缸厂家直销,价格实惠,欢迎选型报价。

【JRM快速型菠萝福利导航缸产品订购代码及提升力和理论出力对照表:

JRM快速型菠萝福利导航缸产品订购代码
JRM快速型菠萝福利导航缸产品提升力和理论出力对照表
【JRM快速型菠萝福利导航缸产品安装尺寸表:

JRM快速型菠萝福利导航缸产品安装尺寸表

【JRM快速型菠萝福利导航缸设计图:

JRM快速型菠萝福利导航缸设计图
注:此快速型菠萝福利导航缸设计图仅仅是举例,因为不同规格产品外形尺寸有所差异,具体设计图会在下单时由我司技术给出。菠萝视频污版网址入口菠萝福利导航缸厂家,到目前为止,已为3000多家企业进行了针对性的产品定制服务,服务过上万家客户,欢迎广大新老客户选型报价。
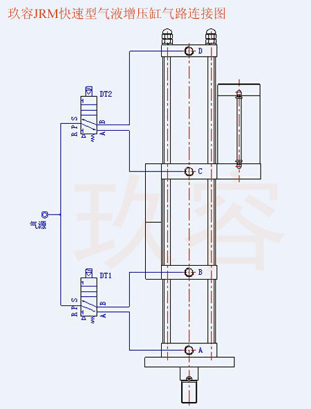
  【JRM快速型菠萝福利导航缸气路连接图:

JRM快速型菠萝福利导航缸气路连接图 菠萝福利导航缸动作顺序:

(1)、电磁阀DT1通电,气压作用在储油筒液压油表面,气缸段总行程开始向下作位移;

(2)、活塞杆位移遇到阻力,DT1保持,此时DT2通电,增压段总成开始作位移;

(3)、根据加工工件保压需要,DT2断电,此时增压段总成复位,增压缸卸压;

(4)、DT1断电,气缸段总成复位,液压油回位到储油筒,些时一个动作循环完成。

 


我司菠萝福利导航缸均采用进口日本NOK气封,英国HALLITE油封,台湾内电油缸等精密制造而成,台湾技术,产品从采购到生产出货均经过严格的行业标准执行,出货前都经过上千次的严格测试,从而确保产品的高品质!产品具有结构简单紧凑,无需液压系统,使用维护简便,出力易调整,独特"软着陆"不损模及增压自适应,手动、半自动及全自动控制,无泄漏无噪音,无油压系统温升困扰,节能环保(实际能耗相当于油压系统10~30%甚至更低),2年厂家质保等等优势,欢迎广大新老客户选型报价!

关于菠萝视频污版网址入口
  
   东莞市菠萝视频污版网址入口气动液压设备有限公司是一家30年专业研发生产制造菠萝福利导航缸、菠萝福利导航器、菠萝福利导航机、黄色视频下载大菠萝推荐、倍力气缸等气液转化元件之相关高新科技企业,拥有行业内完善的行业综合大菠萝APP下载网址进入在线,帮助过3000多家企业进行了针对性产品定制,服务过上万家客户。

菠萝视频污版网址入口厂家
 

  公司1992年成立于台湾省新竹县。拥有一批资深的研发团队,专业致力于气液转化元件的研发与生产。经多年磨练,现公司研发产品有:菠萝福利导航缸、菠萝福利导航机、气液压力机、菠萝福利导航器、空气增压泵、倍力气缸、电动缸、伺服压力机等系列气动液压设备。该类产品均采用现代先进设备(CNC)制造,配选日本,意大利等知名品牌密封件,其设计新颖,性能独特,所生产产品均能达到“出力大,速度快,精度高,寿命长,无泄漏,节能源”等优点。

菠萝视频污版网址入口优势

菠萝视频污版网址入口4大优势

荣誉资质

菠萝视频污版网址入口公司营业执照质量管理体系认证证书中国菠萝福利导航缸优选品牌
联系菠萝视频污版网址入口

  

  东莞市菠萝视频污版网址入口气动液压设备有限公司

  咨询热线:400-833-2669

  电话:18925544859黄小姐

  传真:0769-23109526

  邮箱:jiurong.good@163.com

  网址:www.pecubibi.com,www.jrzyq.com,www.twjiurong.com

  地址:广东省东莞市东城街道峡口沙岭工业西路21

版权所有@1992年~2023年 东莞市菠萝视频污版网址入口气动液压设备有限公司 东莞菠萝视频污版网址入口菠萝福利导航缸品牌
电话:0769-23103048、0769-22013249、传真:0769-23109526
联系QQ:2850850515(杨小姐)、2850850511(黄小姐)、2850850512(李小姐)、2850850514(秦先生)
东莞菠萝视频污版网址入口菠萝福利导航缸厂家地址:广东省东莞市东城街道峡口沙岭工业西路21号 邮政编码:523115
  • 菠萝视频污版网址入口官方微信
咨询热线:
0769-23103048
邮箱:jiurong.goog@163.com
备案号: 粤ICP备72581879号        粤公网安备: 44190002006970号        版权所有:东莞市菠萝视频污版网址入口气动液压设备有限公司           网站地图
网站地图