
Contact Hotline
0769-23103048 0769-23103048免费热线:400-833-2669
固定电话:0769-23103048(杨小姐)
固定电话:0769-22013249(杨先生)
公司传真:0769-23109526
您当前的位置:

作动方式:双动
作动条件:4~7kg/cm²压缩空气
液压抗磨油:VG68#抗磨液压油
工作温度:0~60℃
操作速度:50~400mm/s
油缸耐压:300kg/cm²
气缸耐压:12kg/cm²
预压行程公差:+1.00mm 0.00mm
力行程公差:+0.20mm 0.00mm
工作频率:25~45次/min(与行程长短成反比)
高压出力:1~40吨
菠萝视频污版网址入口厂家直销,2年免费保修,非标定制!
咨询热线:400-833-2669




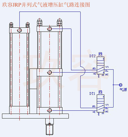
![]() | 菠萝福利导航缸动作顺序: (1)、电磁阀DT1通电,气压作用在储油筒液压油表面,气缸段总行程开始向下作位移; (2)、活塞杆位移遇到阻力,DT1保持,此时DT2通电,增压段总成开始作位移; (3)、根据加工工件保压需要,DT2断电,此时增压段总成复位,增压缸卸压; (4)、DT1断电,气缸段总成复位,液压油回位到储油筒,些时一个动作循环完成。 |
我司菠萝福利导航缸均采用进口日本NOK气封,英国HALLITE油封,台湾内电油缸等精密制造而成,台湾技术,产品从采购到生产出货均经过严格的行业标准执行,出货前都经过上千次的严格测试,从而确保产品的高品质!产品具有结构简单紧凑,无需液压系统,使用维护简便,出力易调整,独特"软着陆"不损模及增压自适应,手动、半自动及全自动控制,无泄漏无噪音,无油压系统温升困扰,节能环保(实际能耗相当于油压系统10~30%甚至更低),2年厂家质保等等优势,欢迎广大新老客户选型报价!

东莞市菠萝视频污版网址入口气动液压设备有限公司是一家30年专业研发生产制造菠萝福利导航缸、菠萝福利导航器、菠萝福利导航机、黄色视频下载大菠萝推荐、倍力气缸等气液转化元件之相关高新科技企业,拥有行业内完善的行业综合大菠萝APP下载网址进入在线,帮助过3000多家企业进行了针对性产品定制,服务过上万家客户。

公司1992年成立于台湾省新竹县。拥有一批资深的研发团队,专业致力于气液转化元件的研发与生产。经多年磨练,现公司研发产品有:菠萝福利导航缸、菠萝福利导航机、气液压力机、菠萝福利导航器、空气增压泵、倍力气缸、电动缸、伺服压力机等系列气动液压设备。该类产品均采用现代先进设备(CNC)制造,配选日本,意大利等知名品牌密封件,其设计新颖,性能独特,所生产产品均能达到“出力大,速度快,精度高,寿命长,无泄漏,节能源”等优点。



![]() | ![]() | ![]() |

东莞市菠萝视频污版网址入口气动液压设备有限公司
咨询热线:400-833-2669
电话:18925544859黄小姐
传真:0769-23109526
邮箱:jiurong.good@163.com
网址:www.pecubibi.com,www.jrzyq.com,www.twjiurong.com
地址:广东省东莞市东城街道峡口沙岭工业西路21号
